方案介绍
方案介绍
车载逆变器是专为房车、摩托、特种改装车等新能源专用车研发的一款高功率密度高效率多功能逆变器,采用模块化、标准化、通用化的设计思路设计研发。
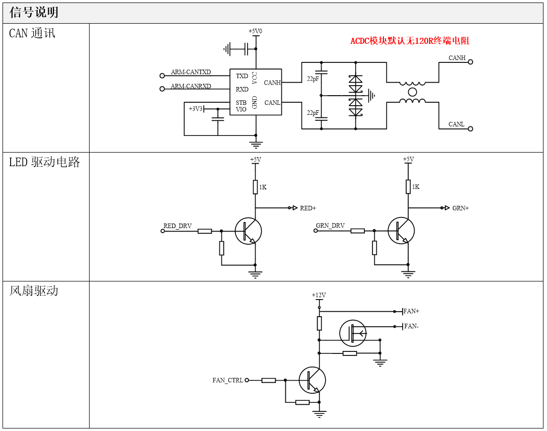
产品采用全数字化控制技术设计,控制灵活智能、保护特性好、系统鲁棒性强。自带微处理器与监控单元通信,机内参数可通过CAN接口由上级监控单元设定或由上级监控单元调节。
具有输入过欠压保护、输出过流保护、输出过压保护,输出短路保护、过温保护等多重保护功能。
主要规格:
型号 | 额定输入电压 | 输出功率 | 额定输出电压 | 输出电压电流范围 |
CRX5001 | 540V | 3.0KW | 220VAC | 90~265V/0~15A |
CRX5002 | 360V | 3.0KW | 220VAC | 90~265V/0~15A |
CRX5005 | 72V | 3.0KW | 220VAC | 90~265V/0~15A |
CRX5006 | 48V | 3.0KW | 220VAC | 90~265V/0~15A |
CRX5006 | 24V | 1.5KW | 220VAC | 90~265V/0~15A |
电气特性:
型号 | ||||
车载电源类型 | 隔离型高频车载逆变器 | |||
产品型号 | CRX5001 | CRX5002 | CRX5006 | |
输入特性 | ||||
额定输入电压(V) | 540 | 360 | 48 | |
输入电压范围(V) | 400~700 | 200~450 | 40~70 | |
最大电流范围(A) | 7 | 10 | 60 | |
输出特性 | ||||
额定输出电压 | 220VAC | |||
输出电压范围 | 90~265VAC | |||
额定输出电压频率 | 50Hz | |||
输出频率范围 | 45~65Hz | |||
额定输出功率 | 3KW | |||
额定输出电流 | 15A | |||
输出电压THD | ≯5% | |||
输出响应时间 | ≤200mS | |||
典型效率 | ≥92% | ≥92% | ≥90% | |
工作噪声 | ~ | |||
保护特性 | ||||
过欠压保护 | 输入过欠压关机可自恢复,输出过欠压关机可自恢复。 | |||
输出短路保护 | 输出短路、反接时关机,可自恢复 | |||
过温保护 | 当散热片温度高于75℃时降低输出功率,当温度高于95℃时断开电路,待充电温度恢复至85℃以下时充电机恢复输出 | |||
环境条件 | ||||
工作环境温度 | -40℃~+85℃(集成系统腔体内部温度); 水冷系统液温≤65℃ | |||
存储温度 | -40~95℃ | |||
湿度 | - | |||
IP等级 | - | |||
冷却功能 | 模块式设计,需提供水冷散热或风冷散热外壳/基板 | |||
通讯功能 | CAN总线控制 | |||
充电功能 | 接收充电指令能正常充电;无命令充电机处于待机状态 | |||
安规及可靠性 | ||||
介电强度 | 原边—副边2000VAC | 原边—机壳1500VAC | ||
绝缘电阻 | 原边—副边 ≥50MΩ | |||
谐波电流 | 符合GB17625.1-2003中6.7.3.1的要求 | |||
耐振动性能 | 经X,Y,Z三个方向扫频震动试验,零部件无损伤,紧固件无松脱现象 | |||
耐冲击性能 | 参见GB/T15139-1994中6.5的要求 | |||
耐工业溶剂性能 | 金属零部件具有良好的防腐蚀层 | |||
防盐雾性能 | 参见GB/T 2423.17 | |||
耐久性 | 在不低于GB/T 24347-2009相关规定 | |||
EMC特性 | ||||
电磁抗扰性 | 符合GB/T 18487.3中11.3.1的要求 | |||
电磁骚扰性 | 符合GB/T 18487.3中11.3.2要求 | |||
信号接口原理图











扫码添加微信